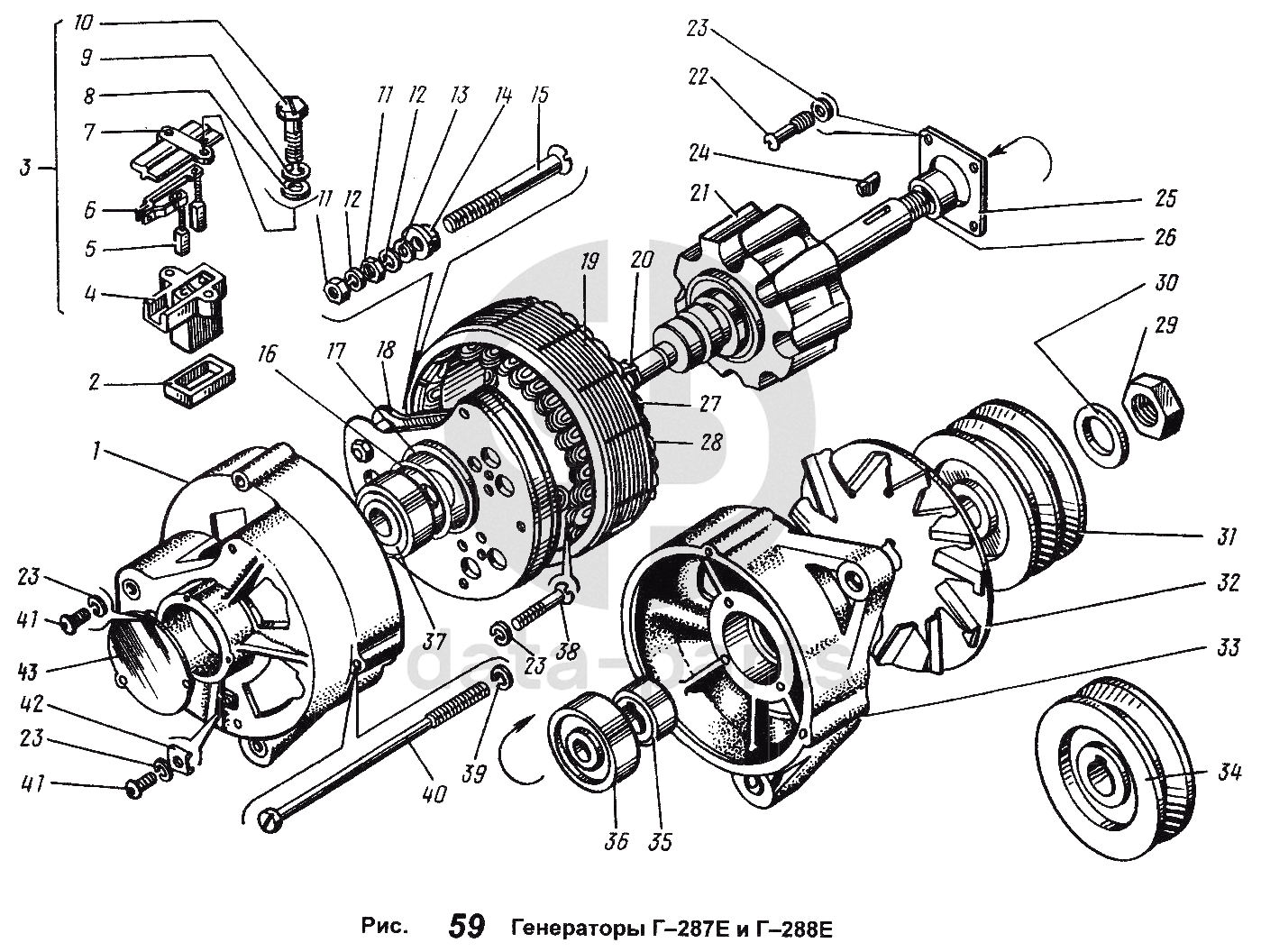
Генераторы Г-287Е и Г-288Е ЯМЗ-238 Н

1
Г287-3701301
Крышка со стороны контактных колец
Кол-во
0
?
1
Г272-3701051
Шкив привода генератора
Кол-во
0
?
2
Г287-3701307
Прокладка уплотнительная
Кол-во
0
?
2
Г250А-3701055
Вентилятор
Кол-во
0
?
3
Г250-3701054
Втулка
Кол-во
0
?
3
Г272-3701010-01
Щеткодержатель в сборе
Кол-во
0
?
4
Г273-3701400
Крышка в сборе
Кол-во
0
?
4
Г272-3701011
Щеткодержатель
Кол-во
0
?
5
6-180603К1С9
Подшипник шариковый радиальный однорядный с двусторонним уплотнением 20х52х18
Кол-во
0
?
5
Г272-3701020-А
Щетка в сборе
Кол-во
0
?
6
Г250А1-3701404
Держатель сальника
Кол-во
0
?
6
Г272-3701030-А
Щетка в сборе
Кол-во
0
?
7
Г272-3701012-А
Крышка щеткодержателя
Кол-во
0
?
7
Х-4001-01
Шайба пружинная
Кол-во
0
?
8
8Х-1497-А
Шайба
Кол-во
0
?
8
НО-0603-10
Винт
Кол-во
0
?
9
М11-41081
Шайба пружинная
Кол-во
0
?
9
Г21-3701005
Чашка ротора
Кол-во
0
?
10
Я120М
Регулятор напряжения интегральный
Кол-во
0
?
10
Г250Е1-3701016
Болт
Кол-во
0
?
11
Г266-3701020-Б
Щетка
Кол-во
0
?
11
8Х-1537М
Гайка
Кол-во
0
?
12
МХ-0246-01
Шайба 8 пружинная
Кол-во
0
?
12
Х-1012-01
Шайба пружинная
Кол-во
0
?
13
1МЮ-37
Шайба
Кол-во
0
?
13
НО-0424
Винт
Кол-во
0
?
14
Г273-3701010
Щеткодержатель
Кол-во
0
?
14
Г287-3701319
Втулка изоляционная
Кол-во
0
?
15
НО-0801-10
Болт контактный
Кол-во
0
?
15
Г273-3701030
Щетка
Кол-во
0
?
16
Г250А1-3701319
Втулка изоляционная
Кол-во
0
?
16
Г287-3701305-А
Кольцо уплотнительное контактное
Кол-во
0
?
17
Х-1482
Шайба пружинная
Кол-во
0
?
17
Г21-3701005
Чашка ротора
Кол-во
0
?
18
8Х-1533М
Гайка
Кол-во
0
?
18
БПВ7-100-02
Блок выпрямительный
Кол-во
0
?
19
НО-0414
Винт
Кол-во
0
?
19
Г288-3701100-А
Статор
Кол-во
0
?
20
МХ-0276
Шайба
Кол-во
0
?
20
Г210-3701202
Кольцо разрезное
Кол-во
0
?
21
Г288-3701200
Ротор
Кол-во
0
?
21
ДС1-3701107
Винт
Кол-во
0
?
22
Г266-3701060-13
Крышка
Кол-во
0
?
22
7Х-4066
Винт
Кол-во
0
?
23
Х-4001-01
Шайба пружинная
Кол-во
0
?
23
Г273-3701300
Крышка
Кол-во
0
?
24
15Х-4148
Шпонка
Кол-во
0
?
24
180502К1С9
Подшипник шариковый радиальный однорядный с двусторонним уплотнением
Кол-во
0
?
25
Г287-3701405
Шайба специальная
Кол-во
0
?
25
Г250А1-3701353
Втулка изоляционная
Кол-во
0
?
26
Г287-3701053
Втулка распорная
Кол-во
0
?
26
БПВЧ-45-02
Блок выпрямительный
Кол-во
0
?
27
Г288-3701130
Фаза статора
Кол-во
0
?
27
М11-90118
Гайка
Кол-во
0
?
28
Г288-3701132
Фаза статора
Кол-во
0
?
28
8Х-1497А
Шайба
Кол-во
0
?
29
МХ-0097
Винт
Кол-во
0
?
29
МХ-0235-01
Гайка
Кол-во
0
?
30
Г287-3701074
Шайба
Кол-во
0
?
30
НО-1011
Шайба
Кол-во
0
?
31
Г288-3701051
Шкив генератора Г-288Е
Кол-во
0
?
31
НО-1801-01
Шайба изоляционная
Кол-во
0
?
32
Г287-3701055
Вентилятор
Кол-во
0
?
32
Г250А1-3701352
Болт контактный
Кол-во
0
?
33
Г273-3701100
Статор
Кол-во
0
?
33
Г287-3701400
Крышка со стороны привода в сборе
Кол-во
0
?
34
Г288А-3701051
Шкив генератора Г-287Е
Кол-во
0
?
34
Г265-3701200
Ротор
Кол-во
0
?
35
Г287-3701054
Втулка
Кол-во
0
?
35
НО-7501
Шпонка
Кол-во
0
?
36
МХ-0235-01
Гайка
Кол-во
0
?
36
6-1180304К1С9
Подшипник шариковый радиальный однорядный с двусторонним уплотнением 20х52х18
Кол-во
0
?
37
6-180603К1С9
Подшипник шариковый радиальный однорядный с двусторонним уплотнением 20х52х18
Кол-во
0
?
37
МХ-0234-01
Шайба
Кол-во
0
?
38
МХ-0139
Винт
Кол-во
0
?
38
НО-1002
Шайба
Кол-во
0
?
39
Х-1482-01
Шайба пружинная
Кол-во
0
?
40
НО-0102
Винт М6
Кол-во
0
?
41
Х-4237-01
Винт М5
Кол-во
0
?
42
Г250-3701053-А1
Скоба
Кол-во
0
?
43
Г287-3701060
Крышка
Кол-во
0
?
Отправьте готовую заявку

Если у вас есть готовая заявка, то прикрепите файл либо перечислите необходимые запчасти в поле «Комментарий». Укажите ваши контактные данные и мы вышлем вам коммерческое предложение.

Только один файл.
Ограничение 128 МБ.
Допустимые типы: txt, rtf, pdf, doc, docx, odt, ppt, pptx, odp, xls, xlsx, ods.