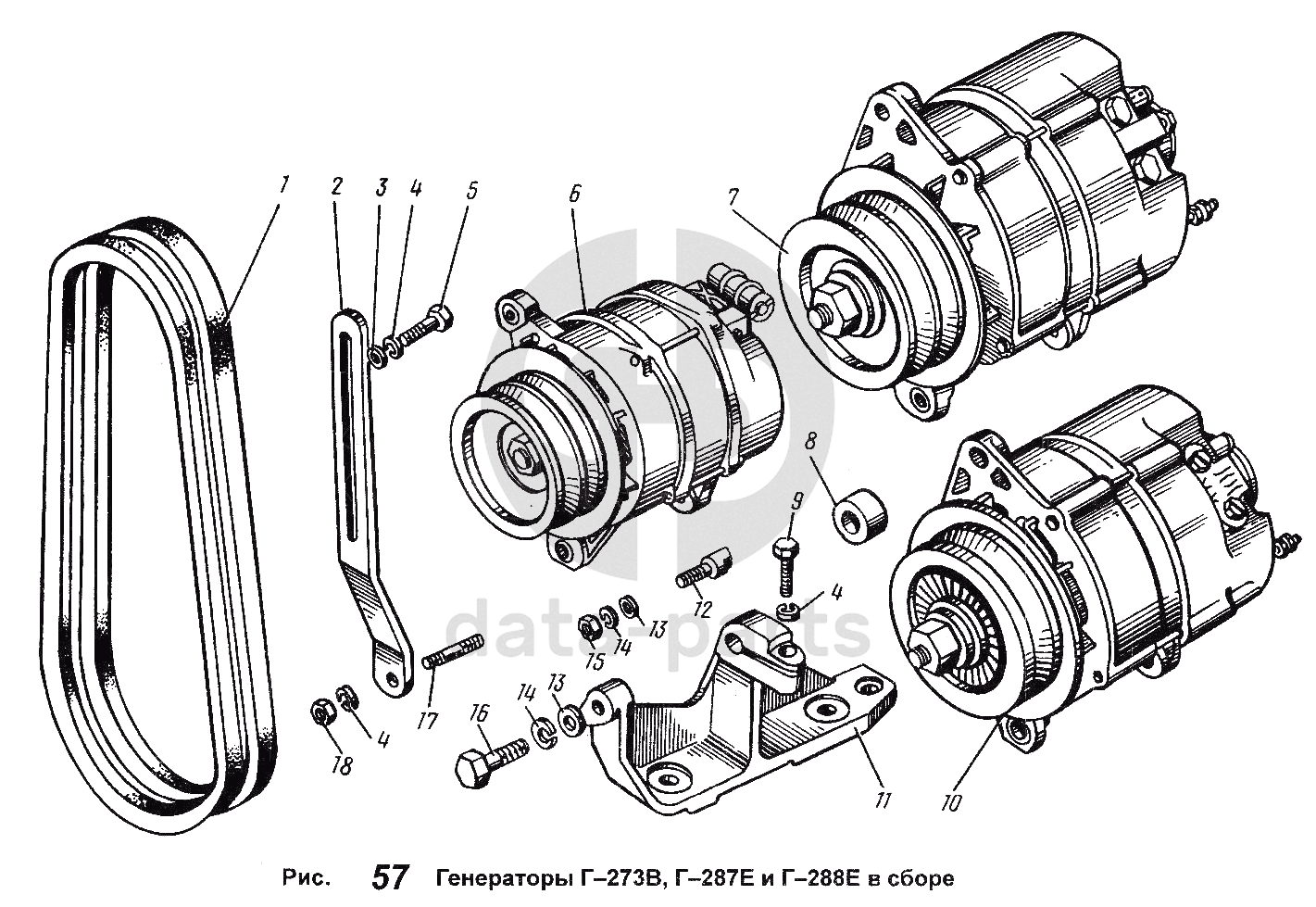
Генераторы Г-273В, Г-287Е и Г-288Е в сборе ЯМЗ-238 АМ

1
2
3
4
4
4
5
6
7
8
9
10
11
12
13
13
14
14
15
16
17
18
%
1
2564111107
Ремень 1 кл. 1-8,5х8-850 привода генератора
Кол-во
1
?
2
238-3701790
Планка натяжная
Кол-во
1
?
Производитель:
АВТОДИЗЕЛЬ ПАО (ЯМЗ)
1 шт
366 ₽
3
252038-П29
Шайба
Кол-во
1
?
4
252135-П2
Шайба пружинная
Кол-во
3
?
Производитель:
Покупнина АВТОДИЗЕЛЬ
192 шт
1 ₽
Производитель:
Покупнина АВТОДИЗЕЛЬ
192 шт
4 ₽
Производитель:
АВТОДИЗЕЛЬ ПАО (ЯМЗ)
под заказ
3 ₽
5
201458-П29
Болт М8х25
Кол-во
1
?
Производитель:
АВТОДИЗЕЛЬ ПАО (ЯМЗ)
50 шт
16 ₽
Производитель:
УРАЛ АЗ
под заказ
цена по запросу
6
Г273В-3701000
Генератор
Кол-во
1
?
7
Г288Е-3701000
Генератор
Кол-во
0
?
8
238НБ-3701027-Б
Втулка распорная
Кол-во
0
?
Производитель:
АВТОДИЗЕЛЬ ПАО (ЯМЗ)
под заказ
66 ₽
9
201458-П29
Болт М8х25
Кол-во
0
?
Производитель:
АВТОДИЗЕЛЬ ПАО (ЯМЗ)
50 шт
16 ₽
Производитель:
УРАЛ АЗ
под заказ
цена по запросу
10
Г287Е-3701000
Генератор
Кол-во
0
?
11
238-3701774
Кронштейн
Кол-во
1
?
12
238-3701780
Палец крепления генератора
Кол-во
1
?
Производитель:
АВТОДИЗЕЛЬ ПАО (ЯМЗ)
под заказ
366 ₽
13
252006-П29
Шайба плоская
Кол-во
1
?
14
252136-П2
Шайба 10 пружинная
Кол-во
1
?
Производитель:
ЯМЗ покупные
под заказ
6 ₽
Производитель:
АВТОДИЗЕЛЬ ПАО (ЯМЗ)
538 шт
12 ₽
15
250512-П29
Гайка
Кол-во
1
?
Производитель:
Альтернатива
6 шт
8 ₽
Производитель:
АВТОДИЗЕЛЬ ПАО (ЯМЗ)
под заказ
67 ₽
16
201501-П29
Болт М10
Кол-во
1
?
Производитель:
АВТОДИЗЕЛЬ ПАО (ЯМЗ)
под заказ
19 ₽
17
216233-П29
Шпилька
Кол-во
1
?
Производитель:
АВТОДИЗЕЛЬ ПАО (ЯМЗ)
под заказ
35 ₽
под заказ
цена по запросу
18
250511-П29
Гайка
Кол-во
1
?
Производитель:
АВТОДИЗЕЛЬ ПАО (ЯМЗ)
под заказ
17 ₽
Производитель:
Красная ЭТНА
под заказ
5 ₽
Отправьте готовую заявку

Если у вас есть готовая заявка, то прикрепите файл либо перечислите необходимые запчасти в поле «Комментарий». Укажите ваши контактные данные и мы вышлем вам коммерческое предложение.

Только один файл.
Ограничение 128 МБ.
Допустимые типы: txt, rtf, pdf, doc, docx, odt, ppt, pptx, odp, xls, xlsx, ods.