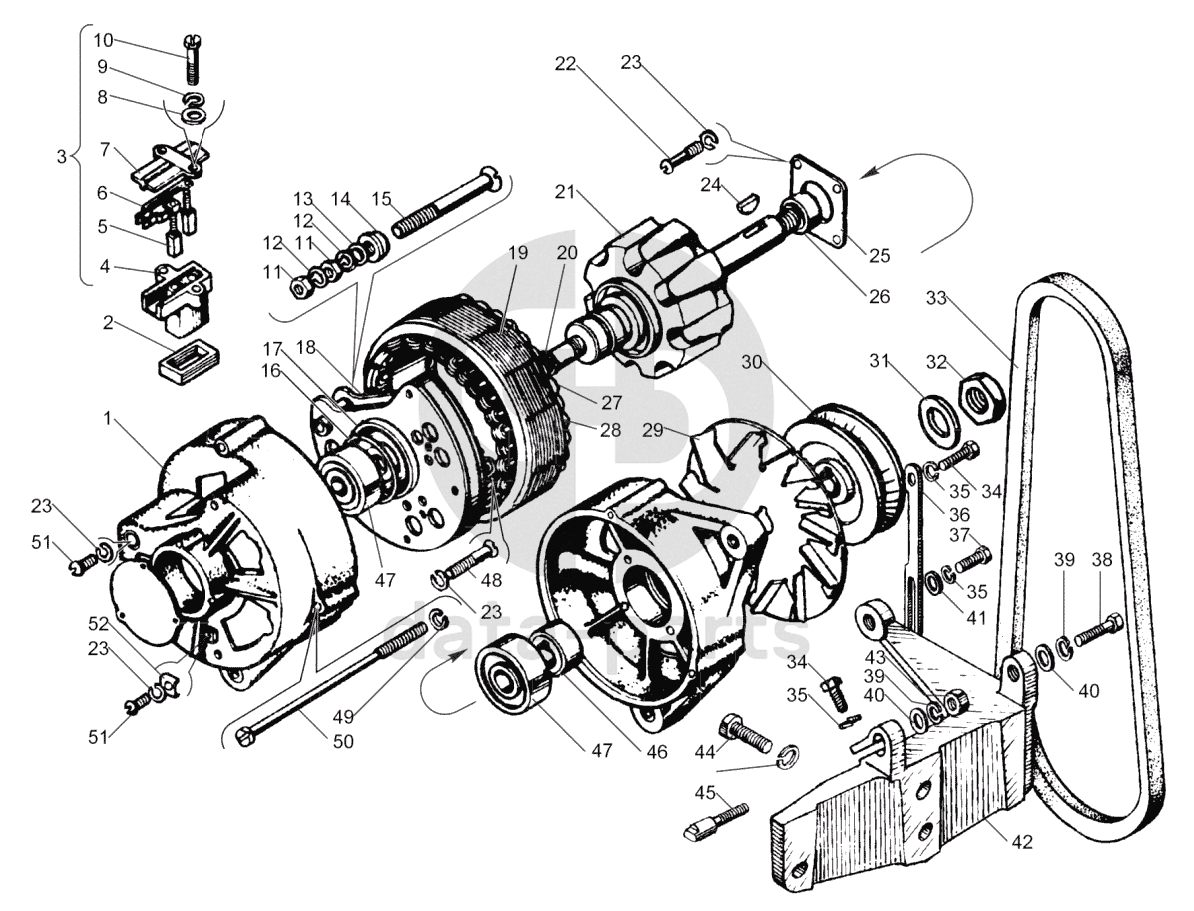
Генератор ЯМЗ-240БМ2 ЯМЗ-240

1
Г287-3701301
Крышка со стороны контактных колец
Кол-во
1
?
2
Г287-3701307
Прокладка уплотнительная
Кол-во
1
?
3
Г272-3701010-01
Щеткодержатель в сборе
Кол-во
1
?
4
Г272-3701011
Щеткодержатель
Кол-во
1
?
5
Г272-3701020-А
Щетка в сборе
Кол-во
1
?
6
Г272-3701030-А
Щетка в сборе
Кол-во
1
?
7
Г272-3701012-А
Крышка щеткодержателя
Кол-во
1
?
8
8Х-1497А
Шайба
Кол-во
5
?
9
М11-41081
Шайба пружинная
Кол-во
2
?
10
Г250Е1-3701016
Болт
Кол-во
2
?
11
8Х-1537М
Гайка
Кол-во
2
?
12
МХ-0246-01
Шайба 8 пружинная
Кол-во
2
?
13
1МЮ-37
Шайба
Кол-во
1
?
14
Г287-3701319
Втулка изоляционная
Кол-во
1
?
15
НО-0801-10
Болт контактный
Кол-во
1
?
16
Г287-3701305-А
Кольцо уплотнительное контактное
Кол-во
1
?
17
Г21-3701005
Чашка ротора
Кол-во
1
?
18
34 1791 3000
Блок БПВ 7-100-02
Кол-во
1
?
19
Г288-3701100-А
Статор
Кол-во
1
?
20
Г210-3701202
Кольцо разрезное
Кол-во
1
?
21
Г288-3701200
Ротор
Кол-во
1
?
22
7Х-4066
Винт
Кол-во
4
?
23
Х-4001-01
Шайба пружинная
Кол-во
5
?
24
15Х-4148
Шпонка
Кол-во
1
?
25
Г287-3701405
Шайба специальная
Кол-во
1
?
26
Г287-3701053
Втулка распорная
Кол-во
1
?
27
Г288-3701130
Фаза статора
Кол-во
1
?
28
Г288-3701132
Фаза статора
Кол-во
2
?
29
Г287-3701055-А
Вентилятор
Кол-во
1
?
30
Г288А-3701051
Шкив генератора Г-287Е
Кол-во
1
?
31
Г287-3701074
Шайба
Кол-во
1
?
32
МХ-0235-01
Гайка
Кол-во
1
?
33
2564211143
Ремень зубчатый
Кол-во
1
?
34
201456-П29
Болт М8-6gх20
Кол-во
2
?
Производитель:
АВТОДИЗЕЛЬ ПАО (ЯМЗ)
под заказ
13 ₽
Производитель:
Красная ЭТНА
под заказ
6 ₽
35
252135-П2
Шайба пружинная
Кол-во
3
?
Производитель:
Покупнина АВТОДИЗЕЛЬ
51 шт
1 ₽
Производитель:
Покупнина АВТОДИЗЕЛЬ
51 шт
4 ₽
Производитель:
АВТОДИЗЕЛЬ ПАО (ЯМЗ)
под заказ
3 ₽
36
240Б-3701790-Б
Планка натяжная генератора
Кол-во
1
?
Производитель:
АВТОДИЗЕЛЬ ПАО (ЯМЗ)
под заказ
265 ₽
37
201458-П29
Болт М8х25
Кол-во
1
?
Производитель:
АВТОДИЗЕЛЬ ПАО (ЯМЗ)
50 шт
15 ₽
Производитель:
УРАЛ АЗ
под заказ
цена по запросу
38
201505-П29
Болт М10х45
Кол-во
1
?
Производитель:
Красная ЭТНА
под заказ
17 ₽
Производитель:
АВТОДИЗЕЛЬ ПАО (ЯМЗ)
под заказ
44 ₽
39
252136-П2
Шайба 10 пружинная
Кол-во
3
?
Производитель:
Покупнина АВТОДИЗЕЛЬ
480 шт
6 ₽
Производитель:
АВТОДИЗЕЛЬ ПАО (ЯМЗ)
568 шт
11 ₽
40
252006-П29
Шайба плоская
Кол-во
2
?
41
252038-П29
Шайба
Кол-во
1
?
42
240Б-3701774-Б
Кронштейн крепления генератора
Кол-во
1
?
под заказ
цена по запросу
43
250512-П29
Гайка
Кол-во
1
?
Производитель:
Альтернатива
6 шт
8 ₽
Производитель:
АВТОДИЗЕЛЬ ПАО (ЯМЗ)
под заказ
66 ₽
44
201499-П29
Болт 10-6gх30
Кол-во
3
?
Производитель:
АВТОДИЗЕЛЬ ПАО (ЯМЗ)
95 шт
58 ₽
45
238-3701780
Палец крепления генератора
Кол-во
1
?
Производитель:
АВТОДИЗЕЛЬ ПАО (ЯМЗ)
под заказ
327 ₽
46
Г287-3701054
Втулка
Кол-во
1
?
47
46 1982 9170
Шарикоподшипник
Кол-во
1
?
48
МХ-0139
Винт
Кол-во
3
?
49
ХИ 482-01
Шайба пружинная
Кол-во
6
?
50
НО-0102
Винт М6
Кол-во
3
?
51
Х-4237-01
Винт М5
Кол-во
4
?
52
Г250-3701053-01
Скоба
Кол-во
1
?
53
46 1982 7133
Шарикоподшипник
Кол-во
1
?
Отправьте готовую заявку

Если у вас есть готовая заявка, то прикрепите файл либо перечислите необходимые запчасти в поле «Комментарий». Укажите ваши контактные данные и мы вышлем вам коммерческое предложение.

Только один файл.
Ограничение 128 МБ.
Допустимые типы: txt, rtf, pdf, doc, docx, odt, ppt, pptx, odp, xls, xlsx, ods.